Titank色譜柱對鹽酸雷尼替丁的有關物質及含量測定
App ID: FLM-T170040
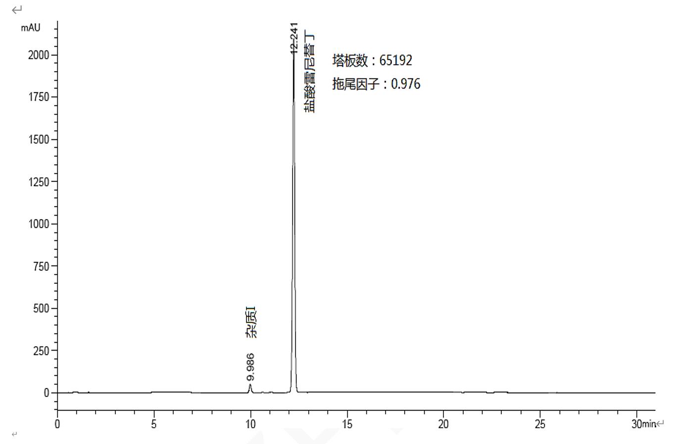
鹽酸雷尼替丁的有關物質及含量測定
方法:ChP. 2015 二部
色譜柱:Titank C18 5μm 150×4.6mm(貨號:FMF-5560-EONU)
流動相:
A:磷酸鹽緩沖液(取磷酸 6.8ml 置 1900ml 水中,加入 50%氫氧化鈉溶液 8.6ml,加水至 2000ml, 用磷酸或 50%氫氧化鈉溶液調節 pH 值至 7.1±0.05 )-乙腈(98:2)
B:磷酸鹽緩沖液-乙腈(78:22)
流速:1.5ml/min
進樣體積:10μL
檢測波長:230nm
柱溫:35℃
|
時間(min) |
流動相 A(%) |
流動相 B(%) |
|
0 |
100 |
0 |
|
15 |
0 |
100 |
|
23 |
0 |
100 |
|
24 |
100 |
0 |
|
30 |
100 |
0 |
有關物質圖譜
系統適用性試驗圖譜


